SECHAGE SOLAIRE DES BOUES DE STATION D'EPURATIONNous construisons des séchoirs Rotatifs Hybrides pour la
Déshydratation des boues d’épurations des collectivités
AIR TECHNIQUE FS : Constructeur en génie climatique
Une équipe soudée par la passion du travail écologique !
MACHINE SOLAR-PHOSPHORE-PROCESS (SPP) |
![]() |

- Surface
de séchage divisé par 10
- Réduction du volume de stockage des boues et gains de transport de
l’ordre de 80 %
- Temps de séchage ramené à 2
jours contre 3 à 6 mois pour un séchoir traditionnel
- Réduction drastique des nuisances olfactives
grâce au séchage rapide et au traitement d’odeurs par zéolithe
- Transformation des boues séchées en combustible thermique ou
électrique (50 kg de boues séchées = 20 litres de fuel)

La machine Solar Phosphore Process donne une
nouvelle impulsion par sa technologie.
L’utilisation de la machine
SPP permet à la commune d’avoir une station d’épuration PROPRE et
PRODUCTRICE D’ÉNERGIE renouvelable tout en s’approchant du DÉCHET
ZÉRO.
Ses points fort sont indéniables :
- Contribue à une drastique réduction des
gaz à effet de serre contre le réchauffement climatique.
- Une diminution très importante des polluants olfactifs H2S CH4 NH3
N2O.
- En été, un séchage optimum en 24 à 48 heures ( contre 3 à 4 mois).
- Une réduction de la biomasse de 80% (siccité ramenée de 25% a
80%).
- Une réduction du stockage de la biomasse.
- L’utilisation des lois de la nature : énergie solaire des mois
d’avril à octobre et chaudière à biomasse en hiver.
- Une possible utilisation en Agroalimentaire.
- Un fonctionnement hybride (solaire et chauffage).
- Une installation qui s’adapte aux besoins de la station (de 1 à 10
tonnes/jour).
- L’engagement d’obligation de résultats AIR TECHNIQUE FRANCO
SUISSE.
Grâce à ses murs équipés de capteurs solaires
efficaces de mars à octobre avec une puissance de rayonnement allant
de 300 à 1100 watts/m² suivant l’ensoleillement, la machine permet :
- Un coût d’exploitation très faible été hiver.
- Un gain environnemental inestimable.
- Un gain et un rendement financier important pour la collectivité
(location avec option d’achat).

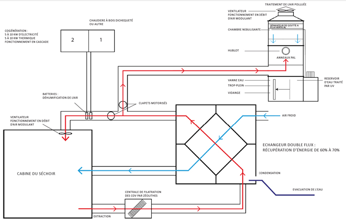
1 - Alimentation et
déchargement automatique par système de vis d’Archimède
2 - Un ensemble de panneaux photovoltaïque d’une puissance de 10Kw
3 - Technologie Solar-airtherm ™ (ATFS) pour déshumidification de
l’air introduit
4 - Chauffage d’appoint par chaudière à bois déchiqueté ou gaz,
(alimentation automatique sur demande).
5 - Destruction partielle des micro polluants par procédé Cleantec
ATFS ozone-UV- Zeolithe (Sicade)
6 - Un ensemble de traitement d’air et particules pathogènes par
filtrage des molécules sur demande
7 - Une mécanique de déshydratation par malaxeur à action
aérodynamique
8 - Un ensemble de big-bags de 1 à 2 tonnes, contrôle de la
traçabilité et siccité
9 - Certificat de contrôle par un organisme de contrôle agréé.

Possibilité de voir la machine SPP en fonctionnement dans nos ateliers.
TÉLÉCHARGEZ LE DOSSIER DE PRESENTATION DE LA MACHINE SPP
VOIR LA VIDEO DU SÉCHOIR
|
Le système hybride de la machine Solar-Phosphore-Process permet des performances constante tout au long de l’année : L'été : 78 m² de panneaux solaire thermique :
Une chaudière biomasse de capacité de 100kw
utilisant des déchets pour répondre au besoins de séchage
des boues. |
|


VOIR LA VIDEO DE FONCTIONNEMENT DU TRAITEMENT DE L’AIR
Documents graphiques et plans réalisés par Sarah TANGUY - Architecte DE.
Spécialiste du chauffage des grands volumes
Halls industriels
Salles de sports
Salles polyvalentes
Versions des générateurs :
en chaufferie
roof-top (toiture)
en façade
en aérien
Un procédé technologique à haute performance énergétique
Air Technique Franco-Suisse - 17 rue du Vignoble - 68440 HABSHEIM (France)
Tél. +33 (0)3.89.65.13.14 - Fax +33 (0)3.89.65.09.00 E-Mail : air.technique.fs@orange.fr
Web : www.air-technique-fs.com - Confidentialité des données